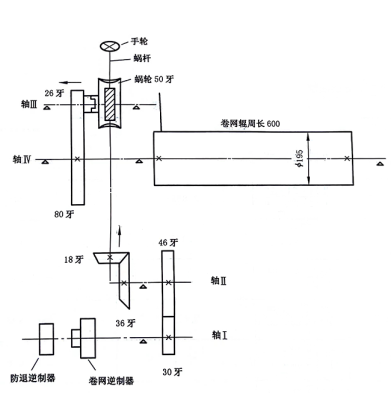
Whether it is positive, semi-negative, negative type rolled net, its principle of action also has something in common, that is, through the installation of the right end of the crankshaft of the weaving machine slewing arm, driven by the back and forth movement of the rolled net pull rod, so that the rolled net rocker arm for swinging, rolled net rocker arm swing every time, the rolled net ratchet wheel turned an angle, the rolled net ratchet wheel through a set of variable-speed gears for rolled net. See Figure 3-12 and Figure 3-13.

Figure 3-12 Schematic diagram of net winding device

Figure 3-13.